高压泵试压泵_高压清洗泵_高压除磷泵-无锡旭阳高压泵阀制造有限公司官方网站,欢迎您的访问,祝您使用愉快!
咨询热线:

13771125262

当前位置:首页>>产品中心>>高压往复泵
分享至:
联系我们contact us
全国咨询热线13771125262

联系人:周经理

电话: 0510-8338 3977

传真: 0510-8338 3677

手机: 13771125262

地址: 无锡市前洲镇工业园北区

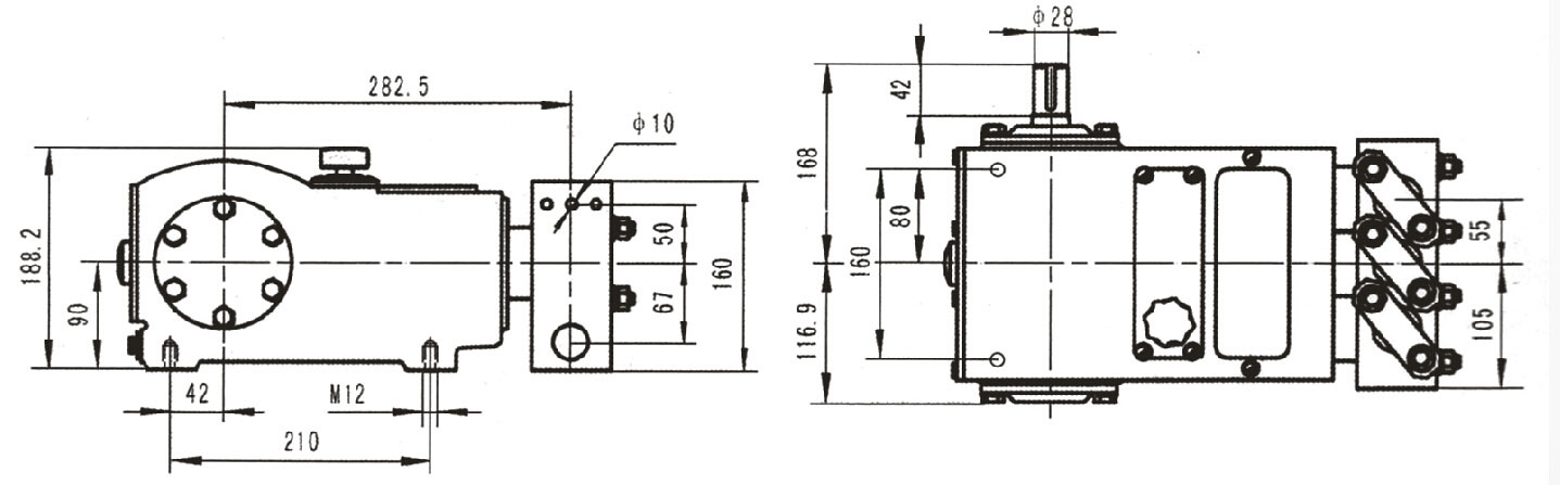
3DP20型三柱塞往复泵

20150725145658936.jpg

  ● 适用于阀门管道试压泵、高压清洗泵、计量泵、流程泵、加药泵、液压泵、输油泵等专业的用泵。

  ● 组装型式:有卧式、立式、固定式、移动式。

  ● 传动型式:有电动机、柴油机、齿轮箱、皮带轮、电磁调速、变频调速。

  ● 表中技术参数作为选型参考,每个品种的泵都装有安全调压阀,泵的压力可任意调节。

  ● 你选型时表中流量不合适,可用电磁调速,变频调速,变换柱塞直径来调节流量,满足选型需要。


20150725150358936.jpg